Welcome to connect
In the context of the rapid development of the new energy industry, scenarios such as commercial and industrial energy storage, battery swapping stations, and household photovoltaic-storage systems have placed higher demands on the accuracy, compatibility, and intelligence of electricity metering. Acrel Electric has developed a full range of new energy supporting instrumentation solutions. These solutions are custom-designed for the core requirements of different application scenarios, covering metering needs from low-power household applications to large-scale industrial and commercial energy storage systems. The solutions provide reliable support for the stable operation and precise metering of new energy systems.
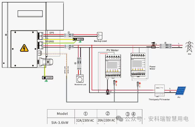
Residential photovoltaic and energy storage represent an important application scenario for the popularization of new energy. Acrel has developed highly compatible instrument products targeting different sub-scenarios, including energy storage inverter matching, hybrid inverter integration, balcony photovoltaic storage systems, and micro-energy storage point-to-point transparent transmission systems. These products balance integration, measurement speed, and communication flexibility.
In response to the market characteristics of multi-brand compatibility in photovoltaic and energy storage systems, RS485 + CT configuration is adopted to accommodate uncertain installation conditions for professional agents. The instruments are certified with CE-MID, UL, and RCM international certifications. With a 50ms high-speed data refresh rate, the devices also support phase sequence adjustment, ensuring accurate metering and strong compatibility.


For high integration requirements of all-in-one energy storage inverter designs and dual-channel metering requirements in retrofit scenarios, the instruments are equipped with voltage and current quick-plug terminals and RJ45 communication ports. They also support 50ms data refresh rates and phase sequence adjustment, along with a comprehensive certification system, making them suitable for both retrofit and new installation scenarios.


Designed specifically for low-power distributed photovoltaic and energy storage systems on balconies, this solution balances high integration with convenient installation and commissioning. In addition to dual-channel metering and quick-plug terminals, it also supports WiFi, WiFi HaLow, and Bluetooth debugging functions. The wireless design significantly simplifies installation in small-scale scenarios, and the product holds CE-RED certification.


To address the poor penetration and unstable network performance of traditional WiFi in micro-energy storage scenarios, WiFi HaLow (Sub-1GHz) communication technology is adopted. Compared with traditional WiFi, it provides stronger penetration capability and longer transmission distance. Compared with LoRa communication, it offers higher transmission speed and better stability. The instrument natively supports this technology, requiring only an additional AP on the inverter side to enable wireless communication. It also supports one-to-one and one-to-many fast network configuration, making it suitable for household multi-inverter and balcony micro-storage systems.

Industrial and commercial energy storage, large-scale energy storage, and battery swapping stations require strict standards in measurement accuracy, refresh speed, installation flexibility, and regulatory compliance. Acrel provides embedded and DIN-rail mounted instrument products based on key requirements such as multi-tariff billing, demand metering, anti-reverse power flow protection, and wireless communication, supporting both new installations and retrofit applications.
The APM521 has obtained overseas CSA (UL) certification and provides active energy measurement accuracy up to 0.2s class (Class D). It is equipped with SD card storage for real-time electrical parameters. The modular main unit + expansion module design supports both embedded and DIN-rail mounting, meeting diversified installation requirements in new projects.


This is a 0.5S class meter with external CT, widely used in large customer applications. It supports secondary CT retrofit wiring and can directly clamp the secondary side current of existing current transformers, making it highly suitable for meter retrofit projects. The product holds CPA, CE, and UL certifications and can also be customized into a high-speed refresh version to meet high-performance application requirements.

In addition, the industrial and commercial solutions also integrate overload protection functions. The system can be connected to high- and low-voltage side energy storage scenarios and can work with multi-tariff electricity meters to achieve accurate electricity metering under different tariff structures, providing comprehensive safety and energy management support for industrial and commercial energy storage systems and battery swapping stations.


In the context of continuous upgrades in the new energy industry, Acrel will continue to focus on innovation and further improve its new energy supporting instrumentation technology and product system. The company aims to provide more efficient, intelligent, and reliable electricity metering solutions for commercial and industrial energy storage, battery swapping stations, and household photovoltaic storage applications, helping promote high-quality development of the new energy industry.
